陕西某电厂3号机组6.18非停事件分析
一、事件经过
2018年6月18日20时13分,3号机组负荷520MW,主汽压力15.143Mpa,主、再热汽温549/547℃,A、B汽泵运行,电泵备用,A、B、C、D、F磨运行,煤量280T/H。3号发电机有功功率520MW,无功功率86Mvar,机端电压22kV,定子电流14210A,励磁电压312V,励磁电流3391A。3号主变冷却器通过Ⅰ回路电源供电,Ⅱ回路备用。20时13分,3号机组跳闸,ETS首出“发电机故障跳汽轮机”、保护E屏“主变冷却器A相故障”。
二、处理过程
检查3号发变组保护E屏2EXJ右(主变A相冷却器故障)信号继电器掉牌;3号机10kV厂用切换MFC2000装置切换动作、切换闭锁灯亮;3号发变组故障录波器“启动”灯亮。ETS首出“发电机故障跳汽轮机”、保护E屏“主变冷却器A相故障”,机组跳闸。
运行人员就地检查发现,3号主变A相通风控制箱内KMS1和KMS2均在断开状态;通风回路I、II回电源监视指示灯亮,其余指示灯均不亮(此时机组已在跳闸状态);检查3号主变A相就地油温表,显示油温47℃。手动将通风回路电源切换开关由I回路切至Ⅱ回路电源,Ⅱ回路接触器KMS2吸合,冷却器启动正常;重新切换至Ⅰ回路电源,Ⅱ回路接触器KMS2正常断开,但I回路接触器KMS1不吸合,冷却器未运行。此时A相通风柜“冷却器全停故障”指示灯亮,DCS对应故障报警未发。
测量发现K1继电器常开接点不通,立即更换K1继电器,电源切至I回路,接触器KMS1吸合,冷却器启动正常。检查冷却器全停延时跳闸启动回路时间继电器KT11、KT12、KT13定值设置正确,实地模拟K1交流继电器常开接点断开,进行试验,KT11、KT12、KT13时间继电器均正确动作。综合判断分析KT12时间继电器及其启动跳闸回路存在问题的可能性较大,将“A相冷却器全停”保护跳闸压板暂时退出,继续检查。
6月19日5时20分锅炉点火,8时05分汽机冲转,9时50分机组并网,11时45分,机组负荷带至300MW,全面检查无异常。
3A主变通风电源主回路检查处理情况:
1.对K1中间继电器进行外观检查无异常;解体检查发现,继电器接点表面有氧化发黑现象(见图1、2),判断为K1交流继电器常开接点不通的原因。

图2 K1继电器接点
2.用校验合格的时间继电器将KT12时间继电器进行更换。在实验室对更换下来的KT12时间继电器每个整定时间分3次进行校验,校验数据如下表。
|
整定时间 |
0分钟 |
10分钟 |
20分钟 |
30分钟 |
40分钟 |
50分钟 |
60分钟 |
|
1校验(ms) |
31513.7 |
527998.9 |
57262.7 |
62923.6 |
91627.8 |
279592.7 |
174781.5 |
|
2校验(ms) |
84810.4 |
451277.9 |
80765.7 |
77338.7 |
63311.7 |
413695.1 |
245083.8 |
|
3校验(ms) |
94621.6 |
443076.7 |
73546.8 |
33456.2 |
84627.8 |
313504.5 |
407049.2 |
依据《电子式时间继电器校准规范》(JJF1282-2011)规定电子式模拟时间继电器延时整定最大允许误差为:±(10%满刻度值+150ms),分析校验数据发现继电器误差范围远超规范规定值,且数据无规律可循。据此确定此次故障为KT12时间继电器误动作,提前启动“冷却器全停故障”保护,造成机组跳闸。

图3 KT12时间继电器
3A主变通风报警回路检查处理情况:
1.继电保护班检查冷却器全停报警及跳闸回路二次电缆对地及相间绝缘均合格(大于500MΩ);
2.测量报警及跳闸回路导通情况,发现“冷却器全停故障”报警回路不通。经排查报警回路接线,发现在3号主变通风就地汇控箱端子排处“冷却器全停故障”报警回路公共端接线未接紧、发生松动(见图4),对该接线进行紧固后,“冷却器全停故障”报警回路正常、报警正常发出。
图4 主变通风控制柜接线端子排
3A主变油温表检查处理情况:
DCS主变油温显示由于K1继电器故障造成两回路通风电源中断,显示坏点。就地检查主变A相油温表指示47℃,检查主变A相油温表75℃接点,确认接点在断开状态。
三、原因分析
(一)直接原因
3号机组跳闸主要原因:中间继电器K1常开接点故障、时间继电器KT12定值误差大、“主变冷却器全停”报警回路接线松动,以上条件同时具备造成保护动作,机组跳闸。
1.K1中间继电器常开接点故障。由于3号主变位于空冷岛下方,运行环境较差,加之经常进行空冷冲洗造成周围空气湿度大,继电器长期在此环境下运行,接点发生氧化,造成运行中接点不通。
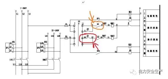
K1继电器常开接点不通,7、9端子断开(见下图5),A相主变通风I回电源主接触器KMS1线圈失电、断开,I回路电源失电。此时,K1继电器仍在吸合状态,常闭接点处于断开状态,25、27端子不通,A相主变通风Ⅱ回路交流接触器KMS2线圈回路无法接通,Ⅱ回路电源无法投入,造成3号主变A相冷却器两路电源同时失去,主变A相“冷却器全停”保护启动。事后对K1继电器进行外观检查无异常,对其进行解体后,发现继电器常开接点动静触头表面氧化(见图2),确定为K1接点不通的原因。

图5 主变通风回路控制原理图
2.主变冷却器全停延时跳闸启动回路时间继电器(KT12)产品质量差,动作时间误差大,发生时间继电器误动。
KT12时间继电器为电子式模拟量时间继电器,内部电子元件质量不过关,继电器动作时间误差大。因此确定此次故障为KT12时间继电器误动作,提前启动“冷却器全停故障”保护,造成机组跳闸。
3.“冷却器全停”报警回路接线松动。由于“主变冷却器全停”报警回路接线松动,回路不通,当通风回路两路电源失去、主变冷却器全停时,故障报警信息未能及时上传至DCS,运行人员未能及时发现采取措施。
(二)间接原因
1.K1中间继电器常开接点接触不良,导致通风Ⅰ、Ⅱ回路电源主接触器均断开,是本次事件的诱因,暴露出检修项目执行和检修质量监督存在较大漏洞。
2.“主变冷却器全停”报警回路不完善,造成故障时没有及时发出信号供运行人员判断处理。
四、暴露问题
1.检修项目执行及质量验收存在问题。此次故障发生在3号机组检修后,查机组检修项目安排,通风回路继电器直阻测量、时间继电器校验、通风回路接线紧固和传动试验等项目均已安排,但实际上对于中间继电器接点的检查不认真,时间继电器校验不规范、无校验报告,冷却器全停保护报警回路接线检查不到位,导致设备存在的隐患未及时发现,暴露出在检修项目执行和检修质量验收等环节存在较大漏洞。运维部电气专业和设备部继电保护班作为设备的检修维护单位对机组检修项目的执行不认真、不到位,检修存在严重质量问题;三级质量验收环节存在严重漏洞;对维护设备的隐患排查不到位,未及时发现设备存在隐患。

图6 3号主变通风回路检修质量监督计划表
2.技术管理不到位、不深入。设备部电气专业对中间继电器及时间继电器的日常检查及检修技术标准掌握不清,日常检查及试验未完全按照标准要求开展。设备部继电保护班对重要保护回路接线检查不到位、保护传动试验项目及标准不具体,传动试验记录不详细。

图7 保护传动试验内容
五、防范措施
1.将现场已安装的18个JSZ8型时间继电器更换为质量可靠的RE22R1AMR型时间继电器(施耐德产品),并对通风回路进行切换试验。对拆下的时间继电器全部在实验室校验台进行重新校验。
2.对3号主变A、B、C相冷却器控制回路及全停报警跳闸回路接线全面检查,对接线全部进行紧固,对报警、跳闸回路进行传动试验。
3.对2台备用机组(1、4机)主变通风回路进行全面检查、试验。
4.修订完善中间继电器、时间继电器检修试验内容及工艺标准。
5.修订完善主变冷却器全停保护传动试验的具体内容及标准,试验后应有试验记录。
6.每年结合机组检修,对通风回路的所有继电器进行全面检查、校验。
7.针对3、4号主变通风控制设备运行环境差容易造成继电器接点氧化进行调研,确定对主变通风控制系统改造的方案。
8.修订完善公司检修管理标准,强化检修项目的执行及质量验收管理,提高检修质量。
9. 修订完善公司设备隐患排查标准,将设备选型、运行环境等纳入排查范围。
10.组织生产全员学习非停事件报告,吸取教训,加强管理,提高检修质量意识,强化检修质量管理。
六、责任考核
此次事件定性为一类障碍,按照大唐韩城第二发电有限责任公司《安全生产奖惩实施细则》,对相关责任人考核落实如下:1.运维部变电班刘某某:作为设备检修维护专责人,对设备检修项目执行不到位、检修质量差、时间继电器不准等严重质量问题,负主要责任,考核1000元;
2.设备部继电保护李某某:作为专责人,对设备检修项目执行不到位、检修质量差,未发现“冷却器全停”主保护报警回路接线松动缺陷,负主要责任,考核1000元;
3.设备部继电保护班长陈某某:对C修质量差、发生“冷却器全停”主保护报警回路接线松动缺陷,检修质量验收责任落实不到位,把关不严,负主要管理责任,考核800元;
4.运维部变电班班长武某某:对C修质量差、发生继电器接点故障、时间继电器不准等严重质量问题,检修质量验收责任落实不到位,把关不严,负主要管理责任,考核800元;
5.设备部点检主管张某某:对设备检修质量监督不到位、点检设备检修质量验收责任落实不到位,把关不严、设备检修技术台账不完善、负主要技术管理责任,考核800元;
6.设备部电气二次高管高某某:对设备检修质量差、检修质量验收责任落实不到位,设保护试验方案不细致负技术管理责任,考核600元;
7.设备部电气一次高管兀某某:对设备检修质量验收责任落实不到位,把关不严、检修技术标准执行不到位,负技术管理责任,考核600元;
8.运维部电气专业主任张某某:对设备检修项目落实不到位,质量差、质量验收责任落实不到位,把关不严负管理责任,考核600元;
9.设备部电气专业副主任牛某某:对检修质量差、检修质量验收责任落实不到位,把关不严,对设备检修技术标准不完善,负管理责任,考核600元;
10.运维部主任党某某:对设备检修质量差、检修质量验收责任落实不到位,把关不严,负管理责任,考核500元;
11.设备部主任强某某:对检修质量差、质量验收责任落实不到位,把关不严,负管理责任,考核500元;
检修副总工程师孙某某:对设备检修质量存在问题、责任落实不到位,负领导责任,考核300元;
12.总工程师杨某某:对检修技术标准、试验方案不健全、不完善,质量验收责任落实不到位,负领导责任,考核300元;
13.生产副厂长张某:对检修项目落实不到位,质量存在问题、质量验收责任落实不到位,负领导责任,考核300元。
14.主管生产副经理王某:对检修质量存在问题、质量验收责任落实不到位,负领导责任,考核300元。
相关新闻:
-
无相关信息

- 关于贵州某电厂“6•12”外委
2020-08-03

- 华北能监局关于内蒙古胜利电厂
2020-07-20

- 死亡2人!西北能源监管局关于宁
2020-06-26

- 云南普洱水电站通风洞清淤引发
2020-06-16

- 6死5伤 墨江县泗南江水电站发
2020-05-31
- · 大连庄河发电有限责任公司“11•12”#1机组发电机着火设备损坏事故
- · 国网安质部关于国网江西赣州供电公司 “2018.5.20”人身事故的快报
- · 2018年4月7日某特高压直流换流站发生火情 损失7台换流变和1个阀厅
- · 大连庄河发电有限责任公司“11.12”事故继电保护分析报告
- · 国网设备部特高压泉城站3号主变B相故障及处理汇报:特变电工主变ABB套管
- · 江西赣州供电公司“2018.5.20”感应电触电2人死亡事故原因分析及防感应电知识
- · 南方电网:关于深刻汲取云南电网公司近期两起人身伤亡事故教训的通知
- · 2018年8月全国电力安全事故通报
- · 云南临沧供电局“5.10”事故通报出来了!
- · 中国电建集团四川工程有限公司 “2018·8·15”高处坠落一般事故
- · 关于贵州某电厂“6•12”外委作业人员人身伤亡事故的通报
- · 4人被埋,3人遇难 广西某35KV迁改项目一工地基坑突然坍塌!
- · 华北能监局关于内蒙古胜利电厂新建项目“7•8”人身伤亡事故的通报的通报
- · 死亡2人!西北能源监管局关于宁夏某热电公司“6.23”人身伤亡事故的通报
- · 云南普洱水电站通风洞清淤引发爆炸致6死5伤 消防现场搜救出3人
- · 6死5伤 墨江县泗南江水电站发生爆炸事故 附集团官方报告
- · 辽宁兴城某风电场风机着火,叶片带火掉落,危及旁边易燃易爆厂房
- · 11.24江西丰城发电厂致73死事故一审宣判
- · 关于碧宗光伏电站严重违反调度纪律导致恶性电气误操作事件的通报
- · 国网设备部特高压泉城站3号主变B相故障及处理汇报:特变电工主变ABB套管
