大型光储联合虚拟同步机技术综述
广西电力系统最优化与节能技术重点实验室(广西大学)的研究人员高海力、谭建成,在2018年第1期《电气技术》杂志上撰文指出,随着间歇性可再生能源占比的逐年增加,电网安全稳定经济运行的压力也逐年增加。虚拟同步机技术模拟同步机组的机电暂态特性,具有同步机的惯量、阻尼、频率和电压调整等运行外特性。
本文阐述大型光伏逆变器虚拟同步机的数学模型及有功频率调整、无功电压控制,分析其在光伏并网应用的优势及存在的问题,展望其在可再生能源并网的应用前景。
目前伴随全球能源危机日益突出,环境污染日益严重,全球分布式发电技术得到迅速发展。太阳能取之不尽、用之不竭且可以无污染利用,成为了当今被利用的可再生能源的首选。
但目前光伏的不确定性,随机波动对电网的稳定运行造成挑战。例如光伏具有间歇性,在经历快速发展的十年后,面临着严重的弃光现象。光伏发电的消纳与并网成为其发展的瓶颈。
为解决全球能源危机,以清洁能源为基础的能源变革正在兴起。世界各国在大力规划和发展清洁能源。预计到2050年,我国可再生能源发电占总量的份额将超过30%。在全球各发达国家的战略计划中,都把更多的分布式发电列入发展计划,电力系统正在发生向分布式发电转变的趋势。
新能源发展的速度比预想快得多,但新能源技术的安全稳定性还需要很多措施。在风机、光伏发电接入电网中,快速、高频电力电子系统接入大惯性、低速、工频电力系统中。产生了不参与电网调节、不支撑电网故障恢复等诸多适应性难题。这些问题也阻碍了可再生能源的消纳,目前弃风弃光问题严重。
产生这个问题的原因,主要如风力或太阳发电能接入电网时。在传统发电机占大多数的电力系统中,由于具有同步机具有惯性与阻尼特性,不会对系统的稳定性造成很大影响。然而,新能源接入电网的接入量达越来越高后,传统发电机的接入比例降低,由于惯性和阻尼特性的减少,就不能很好的维持系统稳定运行。
分布式发电和传统电机不同,不具有惯性和阻尼,且光伏、风力发电系统功率容易出现波动。电力系统更容易受系统故障的影响。在全球可再生能源的装机容量迅速增长,尤其是火电为主力发电的系统下,应对新能源发电对系统调频的挑战,已经成为了当前研究的重点问题。
电网中同步发电机的并网技术已经成熟,其并网具有的优势有:1.优良的惯性与阻尼特性。2.同步机参与大电网的电压与频率调节。在目前的常规并网中,逆变器响应速度过快,没有转动惯量,所以需要不同的控制方式。
因此,我们把可再生能源并网用同步机的形式进行控制,虚拟同步机技术是通过对逆变器上各物理量的调节,模拟同步机的运行机理,使并网逆变器从内部运行机制与传统同步发电机类似。虚拟同步机控制可以模拟同步发电机的有功调频、无功调压,使可再生能源并网在外部运行特性上与传统同步发电机表现出相似的特性。最终达到促进风电、光伏发电上网的稳定性的防止脱网的目的。
1997年,“静态同步发电机”概念被提出,是最早虚拟同步机技术的思想。2007年,全球多个研究中心与多所知名大学相继提出VSG控制策略。2013年,中国电力科学研究院开发完成“Synchronverter”内核50kW虚拟同步发电机。2016年,全球首套分布式光伏虚拟同步机在天津并网成功,VSG技术已经应用于实际工程。
经过近20年的发展,虚拟同步机技术内容得到很大的丰富。虚拟同步机应用于光伏、风机、负荷等。光伏虚拟同步机技术主要难点是光伏输入MPPT、储能和并网的逆变器协调策略,具体为:1.光伏出力的随机性。2.并网逆变器算法需要根据实时电网的频率和电压进行调整。3.光储系统的充放电需要管理。虚拟同步机技术需要兼顾这三个因素。
本文主要介绍光伏储能系统并网的虚拟同步机控制,介绍了适合光伏储能系统的虚拟同步机数学模型,虚拟同步机的有功无功调控策略,对光储系统以虚拟同步机技术的并网策略进行了讨论。
1 光伏储能系统的虚拟同步机现状
对于光储系统的虚拟同步机技术研究现在主要的研究论文是分为光伏虚拟同步机与储能虚拟同步机的研究,目前虚拟同步机的研究类型如图1所示。
主要目前有三种主流的虚拟同步机控制策略,分别为比利时鲁汶大学提出的VSG 控制策略、德国劳克斯塔尔工业大学提出的“VSIMA”控制策略、钟庆昌教授提出的“Synchronverter”控制策略。
图1 虚拟同步机的分类

目前对于光伏虚拟同步机的不同控制方案,实现虚拟惯量和阻尼的原理相同,主要的不同在于模拟同步发电机机的电暂态方程的程度有差异。
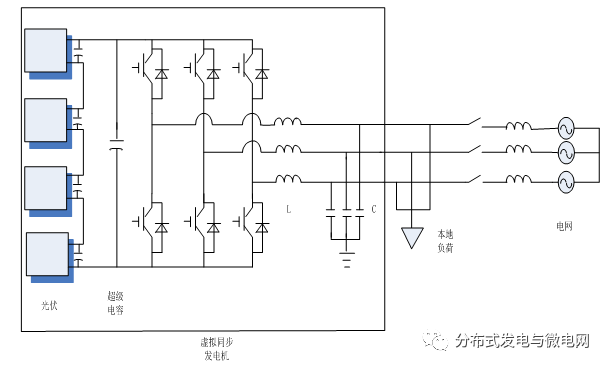
光储虚拟同步机技术是采用同步电机的电机暂态方程在电力电子变流器的控制环节进行控制,光储虚拟同步机与常规的光伏相比,需要将传统逆变器控制升级,并增加储能单元。使光伏储能成为具有同步机并网的惯性、有功调频、无功调压、阻尼特征等特征的新型技术。
光储虚拟同步机是并网逆变器的直流侧引入储能,集成同步发电机控制模型,以优化控制,使可再生能源并网单元与同步发电机在物理和数学上实现基本等效,降低大规模可再生能源并网对大电网造成的影响。
储能单元作为VSG系统的重要组成部分,为VSG提供稳态频率调节和动惯性所需的能量。为了在保证系统同时减小体积和成本,对储单元惯性所需的能量。为了在保证系统同时减小体积和成本,对储单元惯性所需的能量。为了在保证系统同时减小体积和成本,对储单元量配置问题进行研究。
2 逆变器虚拟同步发电机数学模型(略)
在VSG中,元件上的对应关系为光伏发电可以视作同步发电机的机械驱动,储能单元及其变换器对应的是同步发电机的转动惯性,逆变器对应的是同步发电机的机电能量转换过程。
此外,VSG的数学模型与控制的原理是光伏并网与同步发电机存在对应关系,具体关系为逆变器桥臂中点的输出电压可以等效为同步发电机的内电势;在对应关系上,并网逆变器的滤波电感L可以等效为同步发电机的同步电感。
图2 虚拟同步机的结构

3 有功功率与无功功率的调节(略)
图4 VSG无功-电压控制框图

4 总结与展望
本文综述了虚拟同步发电机技术及其在大型光储联合系统上的应用进行研究,分析了虚拟同步机的机械、电磁暂态方程,用虚拟同步机控制的逆变器与同步发电机的对应关系,调压、调频控制策略。也给出了有功调节和无功调节的数学及物理模型。
VSG的优势分两点,其一因为虚拟同步发电机其实是在下垂控制基础上引入一个一阶惯性环节,在输出侧出现扰动时,频率响应更加平滑,很大程度避免新能源发电领域逆变器出工不出力的现象。其二在于VSG间接作用于输出电压的相位,当负荷侧出现扰动时,VSG输出频率的暂态过程和电网中的同步发电机角速度变化能够保持一致,避免了电网中低频振荡的发生。
而虚拟同步机技术则将这一劣势最大程度的避免。虚拟同步机的劣势在于没有发挥电力电子元件更好的特性和配合储能过程中因储能技术的瓶颈,不能更好发展。
未来虚拟同步机技术不趋向于模拟传统同步机,而是借鉴传统同步机优点的条件下,发挥电力电子装置自身的优势。

- 2019第十七届保护和控制学术研
2019-09-14

- 国家电网有限公司成功举办首届
2019-09-14

- 基于大数据云平台的配网运维管
2019-01-05

- 重磅!输变电工程将进入三维数据
2018-07-26

- 真型实证技术助力配网接地故障
2018-06-30
